DS8000 Service Documentation Version 7.5

Exchange the rack power control (RPC) card

Before you begin

Icon for electrostatic discharge wrist strapUse approved ESD procedures to prevent damage.

Attention:
  • This is not a stand-alone procedure. Customer disruption and damage to the hardware might occur if microcode and power boundaries are not in the proper conditions for this service action.
  • If you were sent here by a serviceable event FRU repair, the microcode and power boundaries have already been set.
  • If you were not sent here by a serviceable event FRU repair, see MAP1230 Replace a FRU without using a serviceable event.
Notes:
  • All the cables and FRUs to be removed must be uniquely identified so they can be reinstalled correctly.
  • If an installed earthquake resistance kit prevents you from accessing this FRU, refer to MAP1600.

Remove the RPC card

Procedure

  1. To locate this FRU, do one of the following and then return here and continue to replace the FRU:
    • If this FRU has a FRU identify indicator, use the FRU identify indicator, which is listed in MAP1240 Locating FRUs using identify indicators. If not, use the location code.
      Note: There might be cases where the FRU failure or fencing conditions prevent the FRU LED indicator from being lit even if the FRU has power.
    • Use the location code, which is listed in MAP1245 Finding FRUs by using location codes.
    • If there is no FRU identify indicator or location code, you were sent here by an isolation MAP or symbolic FRU procedure. Use the information in that procedure and the figures in this procedure to locate the proper part to exchange.
  2. Most, but not all, FRUs have identify indicators. Use the flashing amber or solid blue FRU identify indicators to ensure that you are working on the correct enclosure or FRU.
    • The "light path" identify LEDs are a hierarchy of LEDs that can identify the rack, enclosure, FRU, and even the FRU connector to which a cable is connected.
    • For more information, refer to MAP1240 Locating FRUs using identify indicators.
  3. To gain full access, unfasten Callout label 1 and then rotate the needed power distribution units (PDUs) away from the rear of the rack. See Figure 1
    Figure 1. Power distribution units in normal position (rack rear view)
    Power distribution units in normal position (rack rear view)
  4. Remove the cables from the RPC card in the following order:
    Attention: When handling the RPC cables, ensure that the connectors do not contact the frame or each other.
    1. U2nnn.mmm.sssssss-Cx-T201 - PPS rack 1
    2. U2nnn.mmm.sssssss-Cx-T208 - RPC card to RPC card
    3. U2nnn.mmm.sssssss-Cx-T1 - Rack identity card
    4. U2nnn.mmm.sssssss-Cx-T204 - Local remote switch card
    5. U2nnn.mmm.sssssss-Cx-T203 - PPS rack 2 (if Rack 2 exists)
    6. U2nnn.mmm.sssssss-Cx-T205 - PPS rack 3 (if Rack 3 exists)
    7. U2nnn.mmm.sssssss-Cx-T207 - PPS rack 4 (if Rack 4 exists)
    8. U2nnn.mmm.sssssss-Cx-T209 - PPS rack 5 (if Rack 5 exists)
    9. U2nnn.mmm.sssssss-Cx-T210 - CEC enclosure 1
    10. U2nnn.mmm.sssssss-Cx-T214 - CEC enclosure 2
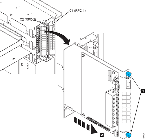
  5. Loosen the thumbscrews Callout label 1.
  6. Gently slide the RPC card out of its slot Callout label 2. RPC-2 card shown as example. RPC-1 card is to the right.
    Figure 2. Removing the RPC card

    Removing the RPC card

Install the RPC card

Procedure

  1. Ensure the DIP switches at the bottom of the new RPC card are set the same as the RPC card that is not being replaced. For DS8000®, the DIP switches on both RPC cards are set the same.
    • Switches 1, 2, 4, 5, 6 are set to off (right)
    • Switch 3 is set off (right) when a Local Remote card is present (remote power control feature is not installed)
    • Switch 3 is set on (left) when a zSeries Local Remote card is present (remote power control feature installed). The zSeries Local Remote card has four connectors for customer remote power control cables.
    Figure 3. Location codes for the RPC cards (Models 941, 951)
    RPC card
  2. Gently slide the RPC card into its slot Callout label 1.
  3. Tighten the thumbscrews Callout label 2.
    Figure 4. Installing the RPC card
    Install the remote power control card
  4. Reattach the cables to the RPC card in the following order:
    ATTENTION: When handling the RPC cables, ensure that the connectors do not contact the frame or each other.
    To prevent a system outage, plug each cable into the correct RPC card connector, in the order shown.
    1. U2nnn.mmm.sssssss-Cx-T208 - RPC card to RPC card
    2. U2nnn.mmm.sssssss-Cx-T201 - PPS rack 1
    3. U2nnn.mmm.sssssss-Cx-T203 - PPS rack 2 (if Rack 2 exists)
    4. U2nnn.mmm.sssssss-Cx-T205 - PPS rack 3 (if Rack 3 exists)
    5. U2nnn.mmm.sssssss-Cx-T207 - PPS rack 4 (if Rack 4 exists)
    6. U2nnn.mmm.sssssss-Cx-T209 - PPS rack 5 (if Rack 5 exists)
    7. U2nnn.mmm.sssssss-Cx-T210 - CEC enclosure 1
    8. U2nnn.mmm.sssssss-Cx-T214 - CEC enclosure 2
    9. U2nnn.mmm.sssssss-Cx-T204 - Local remote switch card
    10. U2nnn.mmm.sssssss-Cx-T1 - Rack identity card

       

  5. Rotate and fasten the power distribution units (PDU) to the normal position.
  6. Exit this service information center parts exchange procedure and return to the procedure that sent you here.