MAP7001 Using the network topology tool

The network topology tool displays information about the networks that are associated with the storage facility. This MAP provides guidance on using the tool when directed from the maintenance package or next level of support.

MAP7001 Section-2 (Invoking the network topology tool)

Procedure

  1. From the navigation area, click HMC Management.
  2. In the right work area, go to the Operations section and click View Network Topology.
  3. Wait several minutes for the tool to gather and present the results. For examples of the screens that are displayed by the network topology tool, see MAP7001 Section-3 (Examples of screens), and then return here and go to the next step.
  4. To analyze the results of the information that is displayed by the network topology tool and to repair the network, go to MAP7001 Section-4 (Analyzing the results and repairing the network).

MAP7001 Section-3 (Examples of screens)

Screens that contain information about the network topology are displayed when you invoke the network topology tool.

Procedure

Figure 1 shows the Network Topology window. The current network topology is listed at the top of the window; the saved network topology listed at the bottom. Figure 2 shows the upper left area of the window. This area looks different depending on the configuration of the storage facility.
Figure 1. Network Topology window (Current Topology area is shown)
Network topology, displaying the current topology
Figure 2. Topology example 9x1 with one MC
Topology example 9x1 with one MC
Notes:
  • Examples of nodes include:
    • Local HMC ports
    • HMC ports on a second HMC (if installed)
    • Service processor ports
    • LPAR (partition) ports on the CEC enclosure I/O backplane assembly, CEC enclosure VPD pass-through card, or PCI Ethernet card / CEC enclosure Ethernet two-port card
  • The tool provides a hierarchical view of the network from the management console which you logged onto.
  • For a diagram of the network topology (with two MCs), see Figure 3, Figure 4, and Figure 5.
  • The Current Topology view (upper half of the window) shows the status of detected nodes on each of the two storage facility private networks at the time the tool was invoked or when Refresh was selected.
  • The Saved Topology view (lower half of the window) shows the status of nodes when the Save function was last performed. A Save should have been performed during installation of the management console or after a repair to a FRU which is connected to the network. Normally, the saved topology will represent the network status when all nodes on both private networks were fully present and operational.
  • To verify connectivity to a failing node, ping the selected node by clicking the Ping Current Node button (Current Topology view) or the Ping Saved Node button (Saved Topology view).
  • The service processors (represented by "FSP" in the Network Topology window) are accessed through one of the two networks, so they will not appear on both. This is normal.
    • The service processors are accessed by MC 1 through the GRAY network (172.17.x.x).
    • The service processors are accessed by MC 2 through the BLACK network (172.16.x.x).
  • The CEC enclosure (or Storage Facility system) status information is displayed along with the associated service processor, so will not appear on both networks. This is normal.
  • The LPAR status will be displayed under the CEC enclosure. However, you must ping the LPARs by selecting the icon that is listed separately from the CEC enclosure.
  • When you have resolved all network problems, perform a Save for future comparison.
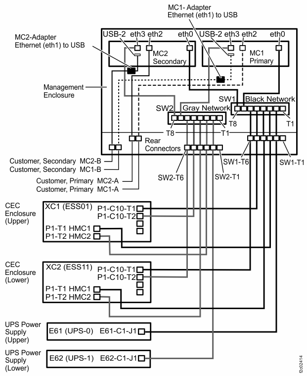
Figure 3. Diagram of network topology (example shows 8-port switches) (Models 941, 951, 961)
Diagram of network topology (example shows 8-port switches) (Models 941, 951, 961)
Figure 4. Diagram of network topology (Models 98x, not 983)
Ethernet cables (Models 980, 981, 984, 985, and 986)
Figure 5. Diagram of network topology (Model 983)
Ethernet cables (Models 983)

MAP7001 Section-4 (Analyzing the results and repairing the network)

Procedure

  1. Are there two management consoles?
    • Yes, repeat Section-2 on the other management console, and then go to the next step.
    • No, go to the next step.
  2. Compare the current topology with the saved topology to verify connectivity with all nodes on the storage facility private network.
    If there are two management consoles, compare the topology on both. Are all expected nodes present and operational on all management consoles?
    • Yes, exit this MAP and return to the procedure that sent you here.
    • No, make a note of the failing nodes, then go to the next step.
  3. If you are using this step for verification and have identified that all problems are now resolved, click the Save button to save the current topology information for future use.
  4. Table 2 contains a list of possible results that you might have seen when you used the network topology tool. Find the condition that describes the current status of the network and take the appropriate action.
    Table 2. Results of the topology test
    Result of the topology test Action
    One management console has lost connectivity to all nodes through both networks (Black/eth0 and Gray/eth3). MAP7010 Private network isolation procedure 10.
    One management console has lost connectivity to all nodes through interface eth0 (Black network). MAP7011 Private network isolation procedure 11.
    One management console has lost connectivity to all nodes through interface eth3 (Gray network). MAP7012 Private network isolation procedure 12.
    One or both management consoles have lost connectivity to all nodes on a single storage facility (both CEC enclosures) through both networks (Black/eth0 and Gray/eth3). MAP7020 Private network isolation procedure 20.
    One or both management consoles have lost connectivity to all nodes (service processor and LPARs) on a single CEC enclosure (one of the two processor complexes in a storage facility) through both networks (Black/eth0 and Gray/eth3). MAP7021 Private network isolation procedure 21.
    One or both management consoles have lost connectivity to the service processor on a single CEC enclosure (one of the two processor complexes in a storage facility) through both networks (Black/eth0 and Gray/eth3). MAP7022 Private network isolation procedure 22.
    One or both management consoles have lost connectivity to an LPAR on a single CEC enclosure (one of the two processor complexes in a storage facility) through both networks (Black/eth0 and Gray/eth3). MAP7023 Private network isolation procedure 23.
    One or both management consoles have lost connectivity to all nodes on a single storage facility (both CEC enclosures) through interface eth0 (Black network). MAP7030 Private network isolation procedure 30.
    One or both management consoles have lost connectivity to all nodes (service processor and LPARs) on a single CEC enclosure (one of the two processor complexes in a storage facility) through interface eth0 (Black network). MAP7031 Private network isolation procedure 31.
    One or both management consoles have lost connectivity to the service processor on a single CEC enclosure (one of the two processor complexes in a storage facility) through interface eth0 (Black network). MAP7032 Private network isolation procedure 32.
    One or both management consoles have lost connectivity to an LPAR on a single CEC enclosure (one of the two processor complexes in a storage facility) through interface eth0 (Black network). MAP7033 Private network isolation procedure 33.
    One or both management consoles have lost connectivity to all nodes on a single storage facility (both CEC enclosures) through interface eth3 (Gray network). MAP7040 Private network isolation procedure 40.
    One or both management consoles have lost connectivity to all nodes (service processor and LPARs) on a single CEC enclosure (one of the two processor complexes in a storage facility) through interface eth3 (Gray network). MAP7041 Private Network Isolation Procedure 41.
    One or both management consoles have lost connectivity to the service processor on a single CEC enclosure (one of the two processor complexes in a storage facility) through interface eth3 (Gray network). MAP7042 Private network isolation procedure 42.
    One or both management consoles have lost connectivity to an LPAR on a single CEC enclosure (one of the two processor complexes in a storage facility) through interface eth3 (Gray network). MAP7043 Private network isolation procedure 43.
    No problems found. Return to the MAP that sent you here.