MAP2720 Ethernet switch tray fans error isolation (Model 961)

Overview

About this task

  • There are four fan FRUs. Each fan FRU contains two separate impeller assemblies. Both impeller assemblies share common input power. Each impeller outputs a separate impeller rotation signal to the RPC card that monitors it. The fan FRU input power comes from a PJA power output connector J1 or J2.
  • The PJA J2 power output connector provides power to the connected fan FRU. If this cable were left unplugged, both impellers in the connected fan FRU would report as failing.
  • The PJA J1 power output connector provides power to the connected fan FRU and the connected RPC card impeller rotation reporting circuitry. If this cable were left unplugged, the RPC card impeller rotation reporting circuitry would fail and both impellers in both connected fan FRUs would report as failing.
  • The PJA has internal diodes and LEDs, there is no active logic. The purpose of the PJAs is to provide redundant power to the fan FRUs, Ethernet switches and management console laptop. This MAP only repairs fan FRU errors.
  • Serviceable events are not created until two fan FRUs have failed. A fan FRU is considered failed when one or both impeller assemblies are reporting a rotation error. There is a unique SRC for each type of failure, and unique SRCs for each fan. There are a total of eight unique SRCs, two for each fan FRU.
  • There is a separate open serviceable event for each failed fan FRU.
  • There are always two open serviceable events for fan FRUs. The serviceable event for the first fan FRU failure is not opened until the second fan FRU fails. If only one fan FRU is failing, there is no open serviceable event to repair. There is adequate cooling air flow even with two fan FRUs failing.
  • SRC definitions
    Table 1. Ethernet switch tray fan SRC definitions
    SRC SRC definition
    BED20011 Fan 1 with one bad impeller
    BED20012 Fan 1 with two bad impellers
    BED20021 Fan 2 with one bad impeller
    BED20022 Fan 2 with two bad impellers
    BED20031 Fan 3 with one bad impeller
    BED20032 Fan 3 with two bad impellers
    BED20041 Fan 4 with one bad impeller
    BED20042 Fan 4 with two bad impellers
Figure 1. Ethernet tray cabling
12V power distribution
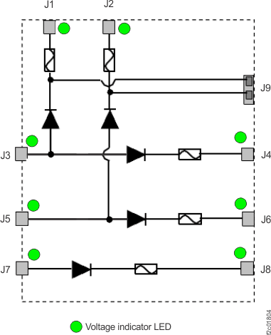
Figure 2. PJA internal diodes, fuses, LEDs
PJA internal diodes, fuses, LEDs

MAP2720 Section-1

About this task

The code can only detect the rotation of each fan impeller reported by the RPC cards. The code cannot directly detect unplugged/damaged cables or diode failures inside a PJA. Therefore, this MAP starts with a visual inspection of cables and LEDs indicators and you repair those issues first.

Procedure

  1. Determine the rack version.
    1. At the rear of Rack-1, observe the location of the Rack identity and Local remote switch cards. See Figure 3.
    2. Version 1, the cards are vertical and mounted to the left sidewall, go to step 2.
    3. Version 2, the cards are horizontal and mounted to the top of the rack, go to step 3.
    Figure 3. Identifying rack version 1 versus version 2
    Identifying rack version 1 versus version 2
  2. At the rear of Rack-1, observe the following to ensure all cables are correctly plugged and have no visual damage:
    • PJAs E41 and E42 on the Ethernet switch tray. (See Figure 4.)
    • Fans A1, A2, A3, A4 on the Ethernet switch tray. (See Figure 4.)
    • RPC card connectors C1-J4 and C2-J4 (See Figure 5.)

    Are any cables unplugged or visually damaged?

    • No, go to step 4.
    • Yes, all cables checked in this step can be hot-plugged. Exit this map and perform a pseudo-repair on the fan FRU. When directed to replace the fan, you instead reconnect or replace the cable, as appropriate.
      1. Exit this MAP.
      2. To the question "What was the result of using the service procedure?", select Problem not fixed and click Next.
      3. To the question "Did you exchange any parts?", select No and click Next.
      4. To the question "Did you isolate the problem?", select No and click Next.
      5. The next FRU in the list is displayed. If it is not the affected fan, select go to the next FRU until the affected fan is displayed.
      6. Select the fan for repair. When directed to replace the fan, reconnect or replace the cable.
    Figure 4. Ethernet switch tray locations (Model 961, rack version 1)
    Ethernet tray (switches, laptop fans, power distribution assembly) locations
    Figure 5. Location codes for the RPC cards (Model 961)
    Location codes for the RPC cards (Model 961)
  3. At Rack-1, observe the following to ensure all cables are correctly plugged and have no visual damage:
    • Rack-1 rear, PJAs E41 and E42 on the Ethernet switch tray. (See Figure 6.)
    • Rack-1 front, fans A1, A2, A3, A4 on the laptop tray (See Figure 7.)
    • Rack-1 rear, RPC card connectors C1-J4 and C2-J4 (See Figure 5.)

    Are any cables unplugged or visually damaged?

    • No, go to the next step.
    • Yes, all cables checked in this step can be hot-plugged. Exit this map and perform a pseudo-repair on the fan FRU. When directed to replace the fan, you instead reconnect or replace the cable, as appropriate.
      1. Exit this MAP.
      2. To the question "What was the result of using the service procedure?", select Problem not fixed and click Next.
      3. To the question "Did you exchange any parts?", select No and click Next.
      4. To the question "Did you isolate the problem?", select No and click Next.
      5. The next FRU in the list is displayed. If it is not the affected fan, select go to the next FRU until the affected fan is displayed.
      6. Select the fan for repair. When directed to replace the fan, reconnect or replace the cable.
    Figure 6. Ethernet switch tray locations (Model 961 rack version 2 rear)
    Ethernet switch tray locations (Model 961 rack version 2 rear)
    Figure 7. Laptop tray locations (Model 961 rack version 2 front)
    Laptop tray (Model 961) (rack Version 2)
  4. Observe both PJAs (E41 and E42), See Figure 4, Figure 6.

    Are any of the PJA LED indicators off? See Figure 8.

    Figure 8. Power junction assembly (PJA) locations
    Power junction assembly (PJA) locations
  5. Determine the location code (Ax) for each fan FRU.
    1. Display the FRU list for each open serviceable event with an SRC of BED200xx.
    2. Determine the location code (A1, A2, A3, A4) for each fan listed in the FRU lists.
  6. Use Table 2 to determine the repair process to use.
    1. In the previous step, you determined the location codes of a minimum of two fan FRU.
      Note: If there were more than two fan FRUs listed, you first repair two of them connected to the same PJA, and after that is complete, return here to repair the remaining fan FRU(s).
    2. Use Table 2. Start at the top row and work your way down until you find the first row that lists fan FRU locations codes you have.
    3. If you have more than two fan location codes to repair, you repair the first two and then return here to repair the remaining fan(s).
    Table 2. Ethernet switch tray fan location codes and descriptions
    Fan location codes Description Go to:
    A1 and A3
    • Both fans are powered by the same PJA and repaired using the same service boundary.
    • Both fans can be replaced at the same time.
    Step 7
    A2 and A4
     
    A1 and A2
    • Each fan is powered by a different PJA and repaired using a different service boundary.
    • Each fan needs to be replaced separately.
    Step 8
    A3 and A4
     
    A1 The fan is replaced using normal service procedures. Step 8
    A2
    A3
    A4
  7. Replace the two fan FRUs using the following procedure.
    1. Ensure you are here to replace fans A1 and A3 or A2 and A4. If not, return to the beginning of this procedure.
    2. Ensure you are repairing a serviceable event that contains the location code of one of the two fans to be replaced.
    3. Return to the GUI repair screen and select the fan FRU to replace.
    4. When you are prompted to replace the fan, replace both fans at the same time.
    5. After the fans are replaced, display the open serviceable events.
      • If the timestamps of the serviceable event that you just repaired have been updated to now, the original problem is still occurring. The next possible failing FRU is the Y-cable (Figure 9) that connects both fans to the PJA and RPC card, or the RPC card. Use a fan FRU repair to replace the cable. When the repair is successful ensure all related serviceable events are closed.
      • If there is a new serviceable event listing a fan FRU location code that you just repaired, there is still a failure occurring. Use the new serviceable event to continue the repair. When the repair is successful ensure all related serviceable events are closed.
  8. Replace one fan FRU using the following procedure.
    1. Ensure you are here to replace one fan at a time.
    2. Ensure you are repairing a serviceable event that contains the location code of the fan you are here to replace.
    3. Return to the GUI repair screen and select the fan FRU to replace.
    4. After the fan is replaced, display the open serviceable events.
      • If the timestamps of the serviceable event that you just repaired have been updated to now, the original problem is still occurring. The next possible failing FRU is the Y-cable (Figure 9) that connects both fans to the PJA and RPC card, or the RPC card. Use a fan FRU repair to replace the cable. When the repair is successful ensure all related serviceable events are closed.
      • If there is a new serviceable event listing a fan FRU location code that you just repaired, there is still a failure occurring. Use the new serviceable event to continue the repair. When the repair is successful ensure all related serviceable events are closed.
    Figure 9. PJA, RPC, fan cables (rack version 1 shown, rack version 2 similar)
    PJA, RPC, fan cables